חברת TG Drive הצ'כית, מייצרת מנועי ובקרי סרוו BL. החברה יכולה לייצר את המנועים והבקרים לפי דרישות לקוח. יכולה אף לייעץ ולעזור בהגדרת התכן בשלב הפיתוח.

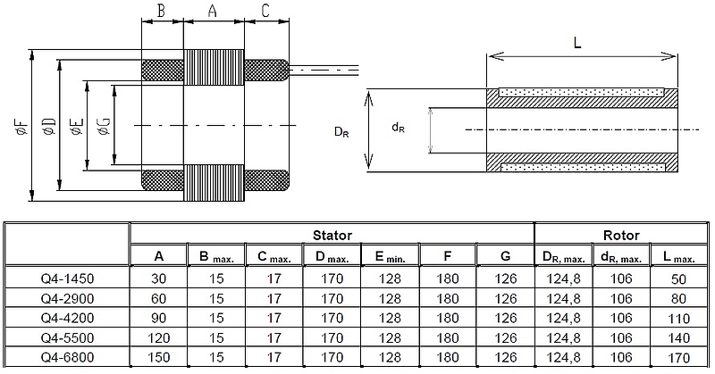
TGQ4 torque motors 14,5 – 68 Nm

Drawings

Dimensions

0
    0
    העגלה שלך