חברת TG Drive הצ'כית, מייצרת מנועי ובקרי סרוו BL. החברה יכולה לייצר את המנועים והבקרים לפי דרישות לקוח. יכולה אף לייעץ ולעזור בהגדרת התכן בשלב הפיתוח.

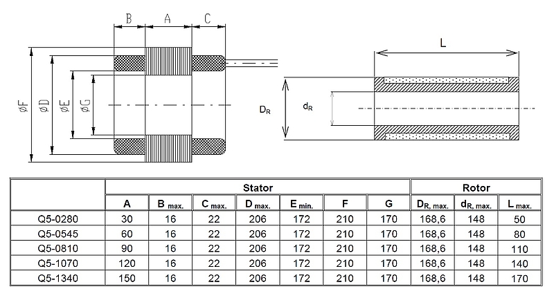
TGQ5 torque motors 28 – 134 Nm

Drawings

Dimensions

0
    0
    העגלה שלך