חברת TG Drive הצ'כית, מייצרת מנועי ובקרי סרוו BL. החברה יכולה לייצר את המנועים והבקרים לפי דרישות לקוח. יכולה אף לייעץ ולעזור בהגדרת התכן בשלב הפיתוח.

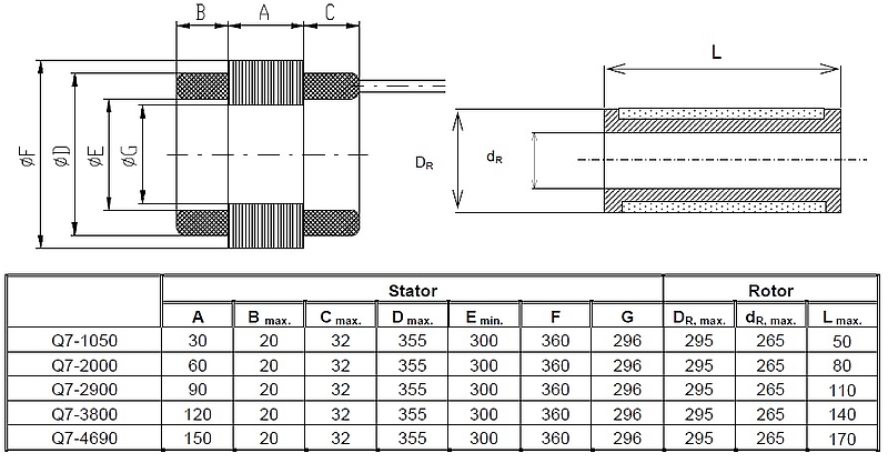
TGQ7 torque motors 105 – 469 Nm

Drawings

Dimensions

0
    0
    העגלה שלך